LTC Batteries – Tiêu chuẩn và đáng tin cậy
SL-350 size: 1/2 AA

Đặc tính kỹ thuật
( Pin được lưu trữ ở + 25 ° C trong một năm)
| Loại | Lithium Thionyl Chloride |
| Điện Áp Định Mức | 3.6 V |
| Dung Lượng | 1.2 Ah |
| CĐDĐ Định Mức | 0.6 mA |
| Dòng Xả Tối Đa Liên Tục | 6 mA |
| Diện Tích Bề Mặt Anode | 6 cm2 |
| Hàm Lượng Lithium | 0.35 g |
| Trọng Lượng | 9.6 g |
| Thể Tích | 4 cm3 |
| Biên Độ Nhiệt Độ | −55°C … +85°C |


SL-360 size: AA

Đặc tính kỹ thuật
( Pin được lưu trữ ở + 25 ° C trong một năm)
| Loại | Lithium Thionyl Chloride |
| Điện Áp Định Mức | 3.6V |
| Dung Lượng | 2.4 Ah |
| CĐDĐ Định Mức | 2 mA |
| Dòng Xả Tối Đa Liên Tục | 20 mA |
| Diện Tích Bề Mặt Anode | 14 cm2 |
| Hàm Lượng Lithium | 0.65 g |
| Trọng Lượng | 18 g |
| Thể Tích | 8 cm3 |
| Biên Độ Nhiệt Độ | −55°C … +85°C |


SL-361 size: 2/3 AA
Đặc tính kỹ thuật
( Pin được lưu trữ ở + 25 ° C trong một năm)
| Loại | Lithium Thionyl Chloride |
| Điện Áp Định Mức | 3.6 V |
| Dung Lượng | 1.6 Ah |
| CĐDĐ Định Mức | 1 mA |
| Dòng Xả Tối Đa Liên Tục | 10 mA |
| Diện Tích Bề Mặt Anode | 9 cm2 |
| Hàm Lượng Lithium | 0.5g |
| Trọng Lượng | 12.5 g |
| Thể Tích | 5.2 cm3 |
| Biên Độ Nhiệt Độ | −55°C … +85°C |


SL-550 size: 1/2 AA

Đặc tính kỹ thuật
( Pin được lưu trữ ở + 25 ° C trong một năm)
| Loại | Lithium Thionyl Chloride |
| Điện Áp Định Mức | 3.6 V |
| Dung Lượng | 0.9 Ah |
| CĐDĐ Định Mức | 0.6 mA |
| Dòng Xả Tối Đa Liên Tục | 50 mA |
| Khả Năng Dòng Xung | 100 mA |
| Diện Tích Bề Mặt Anode | 6 Cm2 |
| Hàm Lượng Lithium | 0.35 G |
| Trọng Lượng | 9.6 G |
| Thể Tích | 4 Cm3 |
| Biên Độ Nhiệt Độ | −55°C … +130°C |


SL-561 size: 2/3 AA

Đặc tính kỹ thuật
( Pin được lưu trữ ở + 25 ° C trong một năm)
| Loại | Lithium Thionyl Chloride |
| Điện Áp Định Mức | 3.6 V |
| Dung Lượng | 1.1 Ah |
| CĐDĐ Định Mức | 1 mA |
| Dòng Xả Tối Đa Liên Tục | 75 mA |
| Khả Năng Dòng Xung | 150 mA |
| Diện Tích Bề Mặt Anode | 9 Cm2 |
| Hàm Lượng Lithium | 0.5 G |
| Trọng Lượng | 12.5 G |
| Thể Tích | 5.2 Cm3 |
| Biên Độ Nhiệt Độ | −55°C … +130°C |


SL-560 size: AA

Đặc tính kỹ thuật
( Pin được lưu trữ ở + 25 ° C trong một năm)
| Loại | Lithium Thionyl Chloride |
| Điện Áp Định Mức | 3.6 V |
| Dung Lượng | 1.8 Ah |
| CĐDĐ Định Mức | 2 mA |
| Dòng Xả Tối Đa Liên Tục | 100 mA |
| Khả Năng Dòng Xung | 200 mA |
| Diện Tích Bề Mặt Anode | 14 Cm2 |
| Hàm Lượng Lithium | 0.65 G |
| Trọng Lượng | 18 G |
| Thể Tích | 8 Cm3 |
| Biên Độ Nhiệt Độ | −55°C … +130°C |


SL-750 size: 1/2 AA

Đặc tính kỹ thuật
( Pin được lưu trữ ở + 25 ° C trong một năm)
| Loại | Lithium Thionyl Chloride |
| Điện Áp Định Mức | 3.6 V |
| Dung Lượng | 1.1 Ah |
| CĐDĐ Định Mức | 1 mA |
| Dòng Xả Tối Đa Liên Tục | 50 mA |
| Khả Năng Dòng Xung | 100 mA |
| Diện Tích Bề Mặt Anode | 6 Cm2 |
| Hàm Lượng Lithium | 0.35 G |
| Trọng Lượng | 9.6 G |
| Thể Tích | 4 Cm3 |
| Biên Độ Nhiệt Độ | −55°C … +85°C |


SL-761 size: 2/3 AA

Đặc tính kỹ thuật
( Pin được lưu trữ ở + 25 ° C trong một năm)
| Loại | Lithium Thionyl Chloride |
| Điện Áp Định Mức | 3.6 V |
| Dung Lượng | 1.5 Ah |
| CĐDĐ Định Mức | 1.3 mA |
| Dòng Xả Tối Đa Liên Tục | 75 mA |
| Khả Năng Dòng Xung | 150 mA |
| Diện Tích Bề Mặt Anode | 9 Cm2 |
| Hàm Lượng Lithium | 0.5 G |
| Trọng Lượng | 12.5 G |
| Thể Tích | 5.5 Cm3 |
| Biên Độ Nhiệt Độ | −55°C … +85°C |


SL-760 size: AA

Đặc tính kỹ thuật
( Pin được lưu trữ ở + 25 ° C trong một năm)
| Loại | Lithium Thionyl Chloride |
| Điện Áp Định Mức | 3.6 V |
| Dung lượng | 2.2 Ah |
| CĐDĐ Định Mức | 2 mA |
| Dòng Xả Tối Đa Liên Tục | 100 mA |
| Khả Năng Dòng Xung | 200 mA |
| Diện Tích Bề Mặt Anode | 14 Cm2 |
| Hàm Lượng Lithium | 0.65 G |
| Trọng Lượng | 18 G |
| Thể Tích | 8 Cm3 |
| Biên Độ Nhiệt Độ | −55°C … +85°C |


SL-2770 size: C
Đặc tính kỹ thuật
( Pin được lưu trữ ở + 25 ° C trong một năm)
| Loại | Lithium Thionyl Chloride |
| Điện Áp Định Mức | 3.6 V |
| Dung Lượng | 8.5 Ah |
| CĐDĐ Định Mức | 3 mA |
| Dòng Xả Tối Đa Liên Tục | 230 mA |
| Khả Năng Dòng Xung | 400 mA |
| Diện Tích Bề Mặt Anode | 30Cm2 |
| Hàm Lượng Lithium | 2.5 G |
| Trọng Lượng | 49.5 G |
| Thể Tích | 26 Cm3 |
| Biên Độ Nhiệt Độ | −55°C … +85°C |


SL-2780 size: D

Đặc tính kỹ thuật
( Pin được lưu trữ ở + 25 ° C trong một năm)
| Loại | Lithium Thionyl Chloride |
| Điện Áp Định Mức | 3.6 V |
| Dung Lượng | 19 Ah |
| CĐDĐ Định Mức | 4 mA |
| Dòng Xả Tối Đa Liên Tục | 340 mA |
| Khả Năng Dòng Xung | 600 mA |
| Diện Tích Bề Mặt Anode | 45 Cm2 |
| Hàm Lượng Lithium | 5 G |
| Trọng Lượng | 93 G |
| Thể Tích | 51 Cm3 |
| Biên Độ Nhiệt Độ | −55°C … +85°C |


SL-2790 size: DD

Đặc tính kỹ thuật
( Pin được lưu trữ ở + 25 ° C trong một năm)
| Loại | Lithium Thionyl Chloride |
| Điện Áp Định Mức | 3.6 V |
| Dung Lượng | 35 Ah |
| CĐDĐ Định Mức | 10 mA |
| Dòng Xả Tối Đa Liên Tục | 450 mA |
| Khả Năng Dòng Xung | 1000 mA |
| Diện Tích Bề Mặt Anode | 90 Cm2 |
| Hàm Lượng Lithium | 10 G |
| Trọng Lượng | 190 G |
| Thể Tích | 105 Cm3 |
| Biên Độ Nhiệt Độ | −55°C … +85°C |


TL-2450 size: 1/10 C

Đặc tính kỹ thuật
( Pin được lưu trữ ở + 25 ° C trong một năm)
| Loại | Lithium Thionyl Chloride |
| Điện Áp Định Mức | 3.6 V |
| Dung Lượng | 0.55 Ah |
| CĐDĐ Định Mức | 0.5 mA |
| Dòng Xả Tối Đa Liên Tục | 5 mA |
| Khả Năng Dòng Xung | 10 mA |
| Diện Tích Bề Mặt Anode | 4.3 Cm2 |
| Hàm Lượng Lithium | 0.2 G |
| Trọng Lượng | 8.8 G |
| Thể Tích | 2.6 Cm3 |
| Biên Độ Nhiệt Độ | −55°C … +85°C |
Có sẵn một phiên bản TLH-2450 nhiệt độ cao .
Để biết thêm thông tin xin vui lòng tham khảo trang web Tadiran.


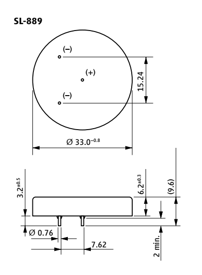
SL-889 size: 1/10 D

Đặc tính kỹ thuật
( Pin được lưu trữ ở + 25 ° C trong một năm)
| Loại | Lithium Thionyl Chloride |
| Điện Áp Định Mức | 3.6 V |
| Dung Lượng | 1 Ah |
| CĐDĐ Định Mức | 0.5 mA |
| Dòng Xả Tối Đa Liên Tục | 10 mA |
| Khả Năng Dòng Xung | 20 mA |
| Diện Tích Bề Mặt Anode | 7.5 Cm2 |
| Hàm Lượng Lithium | 0.3 G |
| Trọng Lượng | 16 G |
| Thể Tích | 5 Cm3 |
| Biên Độ Nhiệt Độ | −55°C … +85°C |


SL-886 size: 1/6 D

Đặc tính kỹ thuật
( Pin được lưu trữ ở + 25 ° C trong một năm)
| Loại | Lithium Thionyl Chloride |
| Điện Áp Định Mức | 3.6 V |
| Dung Lượng | 1.7 Ah |
| CĐDĐ Định Mức | 0.5 mA |
| Dòng Xả Tối Đa Liên Tục | 10 mA |
| Khả Năng Dòng Xung | 20 mA |
| Diện Tích Bề Mặt Anode | 7.5 Cm2 |
| Hàm Lượng Lithium | 0.5 G |
| Trọng Lượng | 21 G |
| Thể Tích | 8.2 Cm3 |
| Biên Độ Nhiệt Độ | −55°C … +85°C |


SL-850 size: 1/2 AA

Đặc tính kỹ thuật
( Pin được lưu trữ ở + 25 ° C trong một năm)
| Loại | Lithium Thionyl Chloride |
| Điện Áp Định Mức | 3.6 V |
| Dung Lượng | 1.2 Ah |
| CĐDĐ Định Mức | 0.5 mA |
| Dòng Xả Tối Đa Liên Tục | 20 mA |
| Khả Năng Dòng Xung | 50 mA |
| Diện Tích Bề Mặt Anode | 6 Cm2 |
| Hàm Lượng Lithium | 0.35 G |
| Trọng Lượng | 9.6 G |
| Thể Tích | 4 Cm3 |
| Biên Độ Nhiệt Độ | −55°C … +85°C |


SL-861 size: 2/3 AA

Đặc tính kỹ thuật
( Pin được lưu trữ ở + 25 ° C trong một năm)
| Loại | Lithium Thionyl Chloride |
| Điện Áp Định Mức | 3.6 V |
| Dung Lượng | 1.6 Ah |
| CĐDĐ Định Mức | 0.5 mA |
| Dòng Xả Tối Đa Liên Tục | 30 mA |
| Khả Năng Dòng Xung | 75 mA |
| Diện Tích Bề Mặt Anode | 9 Cm2 |
| Hàm Lượng Lithium | 0.5 G |
| Trọng Lượng | 12.5 G |
| Thể Tích | 5.2 Cm3 |
| Biên Độ Nhiệt Độ | −55°C … +85°C |


SL-860 size: AA

Đặc tính kỹ thuật
( Pin được lưu trữ ở + 25 ° C trong một năm)
| Loại | Lithium Thionyl Chloride |
| Điện Áp Định Mức | 3.6 V |
| Dung Lượng | 2.4 Ah |
| CĐDĐ Định Mức | 1 mA |
| Dòng Xả Tối Đa Liên Tục | 60 mA |
| Khả Năng Dòng Xung | 120 mA |
| Diện Tích Bề Mặt Anode | 14 Cm2 |
| Hàm Lượng Lithium | 0.65 G |
| Trọng Lượng | 18 G |
| Thể Tích | 8 Cm3 |
| Biên Độ Nhiệt Độ | −55°C … +85°C |


SL-2870 size: C

Đặc tính kỹ thuật
( Pin được lưu trữ ở + 25 ° C trong một năm)
| Loại | Lithium Thionyl Chloride |
| Điện Áp Định Mức | 3.6 V |
| Dung Lượng | 8.5 Ah |
| CĐDĐ Định Mức | 3 mA |
| Dòng Xả Tối Đa Liên Tục | 75 mA |
| Khả Năng Dòng Xung | 100 mA |
| Diện Tích Bề Mặt Anode | 30 Cm2 |
| Hàm Lượng Lithium | 2.5 G |
| Trọng Lượng | 49.5 G |
| Thể Tích | 26 Cm3 |
| Biên Độ Nhiệt Độ | −55°C … +85°C |


SL-2880 size: D
Đặc tính kỹ thuật
( Pin được lưu trữ ở + 25 ° C trong một năm)
| Loại | Lithium Thionyl Chloride |
| Điện Áp Định Mức | 3.6 V |
| Dung Lượng | 19 Ah |
| CĐDĐ Định Mức | 4 mA |
| Dòng Xả Tối Đa Liên Tục | 100 mA |
| Khả Năng Dòng Xung | 250 mA |
| Diện Tích Bề Mặt Anode | 45 Cm2 |
| Hàm Lượng Lithium | 5 G |
| Trọng Lượng | 93 G |
| Thể Tích | 51 Cm3 |
| Biên Độ Nhiệt Độ | −55°C … +85°C |


Theo Product Data Catalogue Tadiran Lithium Batteires

